Err

BOSCH Pièce détach. Jeu De Balais - 1607000V37

BOSCH
(Code: BOS1607000V37)
En Stock
(2 Article(s) en stock)
BOSCH Jeu de balais

Réf : 1607000V37

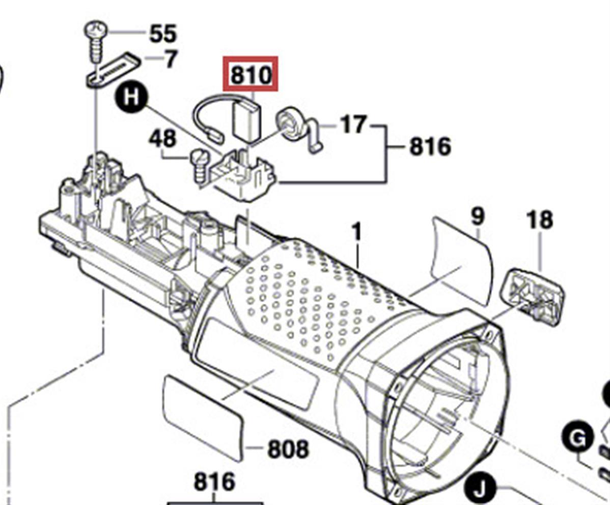
Charbon pour Ponceuses GBR 15 CAG et GBR 15 CA
11,91 €
20g
Description
Caractéristiques techniques BOSCH Jeu de balais - Charbons Réf : 1607000V37

Pièce détachée n° 810 sur vue éclatée
Charbon pour Ponceuses GBR 15 CAG et GBR 15 CA