Err

CLÉ À DOUILLE 36MM 62MM 54MM M24, 56,5 MM ENTR CARRÉ F 1" (A) BOSCH

BOSCH
(Code: BOS1608557054)
✓ Disponible sous 2 à 5 jours
BOSCH Clé à douille M 24

Réf : 1 608 557 054

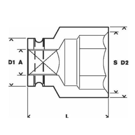
Carré femelle 1", ISO 1174-1
70,90 €
730g
Description
Ligne de produits     Accessoires PRO
Spécification     36 mm, 62 mm, 54 mm, M 24, 56,5 mm
Texte produit, accessoires gris     Carré femelle 1", ISO 1174-1
Type d’emballage     Emballage plastique, suspension, avec trou « Euro »
NPPE     1 Unit.
UC : unité de commande  1     1 Unit.
Détails
Ø extérieur (D1) mm     54
Cote sur plats mm     36
Ø extérieur (D2) mm     56,50
Pour filetage     M 24
Longueur (L) mm     62